No drift dynamic inclinometer product
– Built in tri-axis accelerator and tri-axis gyro
– Highest dynamic accuracy ±0.05°RMS
– Highest refresh rate 1000Hz
– X/Y/Z angular rate & acceleration data available
– Autonomous working, do not need any external auxiliary
– Can be mounted wherever needed, do not need to install at
centroid point
– Customized kinds of different housing, function and performance
product
SST800 dynamic inclinometer is specially designed for motion application, which is an inertial product that measures dynamic roll/pitch angle with high update rate. SST800 has concentrated Vigor years of application experience and technology of tilt measurement, combined with military inertial navigation technology; highly increase the performances of traditional vertical gyro product, to achieve max. accuracy ±0.05°.

Traditional inclinometer based on accelerometer and electrolyte principles. In dynamic motion such as rapid movement vehicle and vessel, the measurement result will be affected by extra axial acceleration and centripetal acceleration, so that valid angle measurement data can’t identify effectively, and accuracy is unable to guarantee. SST800 adopts advanced inertial navigation technology to exactly measure dynamic pitch/roll angle long term, without aiding of GPS/compass etc..
| Pin | RS485 | RS232 | CAN | Ethernet |
|---|---|---|---|---|
| 1 | Power+ | Power+ | Power+ | Power+ |
| 2 | Power GND | Power GND | Power GND | Power GND |
| 3 | Signal GND | Signal GND | Signal GND | Shield |
| 4 | NC | NC | CAN_H | E-RXD+ |
| 5 | NC | NC | CAN_L | E-RXD- |
| 6 | RS485-A | TXD | NC | E-TXD+ |
| 7 | RS485-B | RXD | NC | E-TXD- |
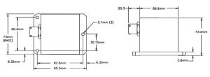
| Illustration |
|---|
|
Copyright 2026 © All rights Reserved. Hemsida Webbdesign Interwebsite Webbyrå